欢迎光临 扬中市首信电仪设备有限公司官网!
扬中市首信电仪设备有限公司

Yangzhong Shouxin Electronic Equipment Co., Ltd.

诚信、品质、互利

专业生产仪表阀门、仪表管件等产品

咨询热线:

13861367781

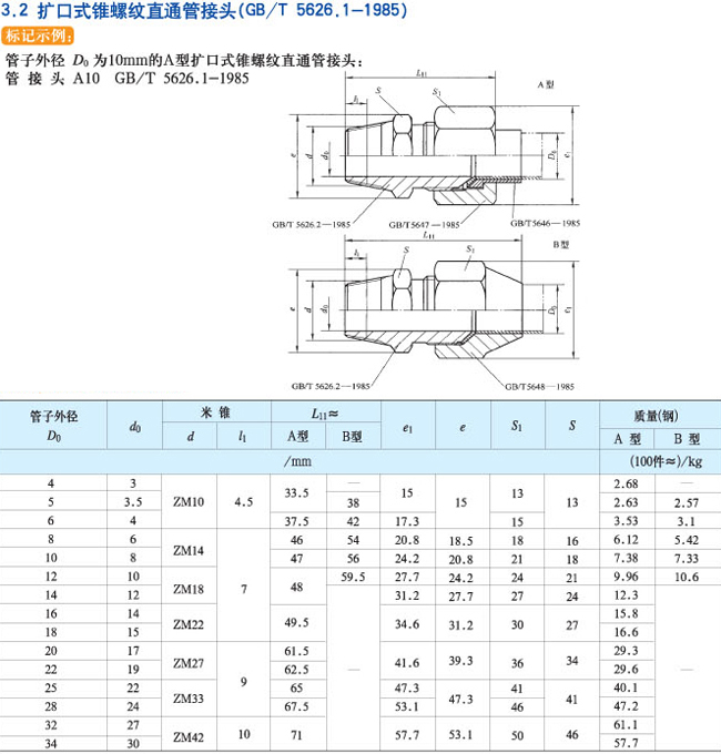
扩口式锥螺纹直通管接头

Copyright www.sxhgyb.com (复制链接) 扬中市首信电仪设备有限公司专业生产仪表管接头,仪表管阀件,卡套接头厂家等产品,欢迎来电订购.

联系人: 张守训   手机: 13861367781  电话: 0511-88527781  传真: 0511-88520781

邮箱: yzsxyb@126.com  网址: www.sxhgyb.com  地址: 扬中市长旺工业区

苏ICP备13029407号-1  苏公网安备32118202000696号